Ролик для линий окутования AFB-08
Детальное описание
Ролик прижимной для линий укутывания.
Обкаточные ролики с силиконовым или полиуритановым покрытием различной формы и твердости. Ролики обеспечивают надежный прижим облицовочного материала к профильной заготовке. Верхние и боковые ролики имеют возможность настройки по высоте, ширине и под углом в зависимости от профиля обрабатываемых заготовок.
Применение в станках типа:
Барберан BARBERAN CA-4m, Berbenar RP-30-FM, BARBERAN RP30, BARBERAN RCN-400/2, masterPROFF WL-3000, masterPROFF WL-4000, masterPROFF WL-5000, masterPROFF WL-6000, masterPROFF WL, PROFI UNIVERSAL PRO, FJP-16/4,5, STARTEC SRT-6, STARTEC SRT-3, STARTEC SRT-4, STARTEC SRT-mini, STARTEC QDR-1070, STARTEC SRT-1772, STARTEC DFR-1248, STARTEC GT-104 F, WoodTec PROFILINER, WoodTec 300 B,Унимак Unimak /Unimac, ITALMAC Universal PRO, О-2-400, О-4m, О-300 M, О-33-L, О-30-mod, О-400/2, К-30-Modular, К-33-L-Modular, К2-400, FA2-400, TG-TIV (MFD 300), TGB-III, 300-С, HCM RP-300 EVA, FA2-400, FL-300 M, HY-J-300, PROFILE-L, PUR-33-L, PUR-33-L-Modular, RP-30-mod, DITEC Line 4000 ПВХ, DITEC Line 4000 E, DITEC Line 4000 G, DITEC Line 4000 PUR, DITEC Line 5000 PUR, plasmek, ПрофильДоорс 2, MC350B-PUR, SBF II, SBF III, FA2-400, FC2-400, HS FA1 400, HS FA2 400, HS FD1 500, HS FB1 400, HS FB2 400, HS FC1 400, HS FC2 400, HCM RP-300 EVA, HCM RP-300 EVA, MC350B-PUR, BEAVER MBF 300, LM 300 W6-P INTERGRUP,LM 300 F6-E, LM 300 F7-E, LM 300 F8-SE, LM 300 W6-P, LM 300 W6-S, LM300-W3-S, FRIZ PUM 120/30/WH/S, FRIZ PU 20/25, FRIZ OPTIMAT PU 20, PW 35 F5 E Unimak, CA-4m, PU 20/25/S/RS, HY-J-300, FA2-400, WS DA 350 LC MHF
Комплектация
Ролик силиконовый - 1шт., ось – 1 шт.
По желанию заказчика возможна комплектация осью любого типа.
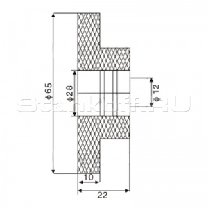
| Технические характеристики ролика для линий укутывания AFB-08 | |
| Артикул | 0000003001 |
| Габаритные размеры | 65x22 |
| Твердость по Шору | 65 |
| Материал | силикон |
Похожие товары
Станкофф.RU
420127, Россия, Татарстан, Казань, ул. Фатыха Амирхана, 42а
+7 (800) 5555770




