Токарно – винторезный 1М63 Б/У - Продам в Красноярске
Россия, Красноярский край, Красноярск, г. Красноярск, ул. Телевизорная
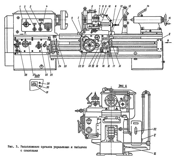
Детальное описание
По всем вопросам звоните по телефону указанному в профиле.
Также в наличии имеются станки:
| Токарно – винторезный | 1992 | 1М-65 |
| Токарно – винторезный | 1991 | 1М63Ф101 |
| Токарно – винторезный | 1985 | 1М63 |
| Гильотина | 2006 | Н3121 |
| Кривошипно – шатунный пресс Q-40т | 1982 | КД-2126 |
| Высечной | 2007 | НК-4516 |
| Пресс – ножницы | 2000 | С-229 |
| Пресс – ножницы | 2005 | НГ-5222 |
| Пресс – ножницы | 2000 | НГ-5222 |
| Радиально - сверлильный | 1980 | 255 |
| Радиально - сверлильный | 1990 | 2532 |
| Строгальный | 1988 | 7Б-35 |
| Горизонтально - фрезерный | 1988 | 6Р-82Г |
| Наждак 2-х дисковый (диаметр 400мм) Электронный поворотный стол (7400-0227), делительные головки, поворотные столы (разные), резцы, плашки, сверла (1000 шт.), фрезы (1000 шт.), долбяки (1000 шт.). |
Создано 16.04.2026 Изменено 16.04.2026
