Детали компрессора 2ВМ10-63/9 - Продам в Запорожье
ЧП «Современные технологии LTD»
Украина, Запорожская обл., Запорожье, пр-т Сталеваров
Детальное описание
Детали компрессора 2ВМ10-63/9
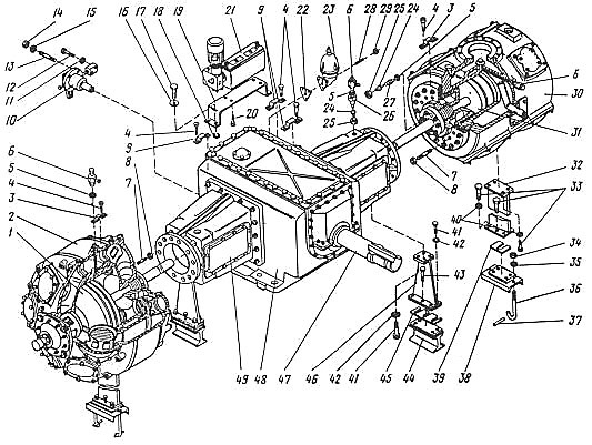
| Номер позиции | Обозначение | количество |
|---|---|---|
| 1 | Поршень 288-22 первой ступени со штоком в сборе, поршень 288-22 | 1 |
| 2 | Цилиндр 1 ступени 288-22 в сборе, цилиндр 288-22 | 1 |
| 3 | Скоба Н146-6-1 L=8, скоба Н 146-6-1 | 10 |
| 4 | Винт Н251-2-20 В.М6х10.58.05, винт Н 251-2-20 | 26 |
| 5 | Прокладка СТП 0503-46-76 30/21х2 | 8 |
| 6 | Клапан обратный Н 146-10 Dy4 Py70, клапан Н146-10 | 6 |
| 7 | Шпилька СТП 0584-138-80М 24-8gx70.66.05 | 24 |
| 8 | Гайка М 14.6.05 СТП 0503-10-72 | 24 |
| 9 | Скоба L=25 Н 146-6-1-02, скоба Н146-6-1-02 | 3 |
| 10 | Механизм поворотный в сборе 71-9Б | 1 |
| 11 | Шайба 4.65Г 05 ГОСТ 6402-70 | 2 |
| 12 | Винт 71-9Б-0-10 М4х45 | 2 |
| 13 | Шпилька М16-8gx45.66.05 СТП 0584-138-80 | 4 |
| 14 | Гайка М16.6.05 | 4 |
| 15 | Шайба СТП 0503-10-72 16.02.05 | 4 |
| 16 | Шайба СТП 0503-23-7212.02.05 | 4 |
| 17 | Болт СТП 0503-5-72 М 12х30.66.05 | 4 |
| 18 | Прокладка 67-9Б-0-5 | 4 |
| 19 | Кронштейн Н 483-0-1, кронштейн Н483-0-1 | 1 |
| 20 | Болт СТП 0503-5-72 М 12х25.66.05 | 4 |
| 21 | Станция смазочная 41-08 многоотводная регулируемая, лубрикатор 41-08 | 1 |
| 22 | Прокладка Н 267-1-0-6А, прокладка Н267-1-0-6А | 1 |
| 23 | Маслоочиститель центробежный 236-1028010 | 1 |
| 24 | Ниппель Н 154А-1 4х8, ниппель Н154А-1 | 4 |
| 25 | Гайка Н 155-1 М 20х1,5-8, гайка Н155-1 | 4 |
| 26 | Штуцер 71-1-0-3 | 2 |
| 27 | Штуцер Н 148А-1 ввертной 4х8, штуцер Н148А-1 | 2 |
| 28 | Шпилька СТП 0584-138-80 М 10-8 75.66.05 | 3 |
| 29 | Гайка СТП 0503-10-72М10.6.03 | 3 |
| 30 | Цилиндр 288-20 диаметр 370 в сборе | 1 |
| 31 | Поршень второй ступени 288-4А со штоком в сборе, поршень 288-4А | 1 |
| 32 | Стойка Н 176-2-1, стойка Н176-2-1 | 2 |
| 33 | Болт СТП 0503-5-72 М 16х40.66.05 | 20 |
| 34 | Гайка СТП 0503-10-72 М 20.6.05 | 2 |
| 35 | Шайба СТП 0503-23-73 20.02.05 | 2 |
| 36 | Болт Н 365А-6 фундаментный М 20х270, болт Н365А-6 | 2 |
| 37 | Стержень Н 366-2 диаметр 20х210, стержень Н366-2 | 2 |
| 38 | Плита опорная Н 176-1-2, плита Н176-1-2 | 2 |
| 39 | Прокладка Н 176-1-0-2А, прокладка Н176-1-0-2А | 10 |
| 40 | Шайба стопорная Н 176-1-0-4, шайба Н176-1-0-4 | 16 |
| 41 | Болт СТП 0503-5-72 М 12х40.66.05 | 16 |
| 42 | Шайба Н 206А-2-2, шайба Н206А-2-2 | 16 |
| 43 | Болт Н 176-1-0-3 установочный М 16, болт Н176-1-0-3 | 4 |
| 44 | Плита опорная Н 260А-4, плита Н260А-4 | 2 |
| 45 | Прокладка Н 260А-2-1, прокладка Н260А-2-1 | 20 |
| 46 | Стойка Н 260А-3, стойка Н260А-3 | 2 |
| 47 | Вал коленчатый 70-1-0-1А, коленвал 70-1-0-1 | 1 |
| 48 | Рама в сборе Н 251-1, рама Н251-1 | 1 |
| 49 | Направляющая Н 252-2 в сборе, направляющая Н252-2 | 1 |
Создано 30.11.2017 Изменено 25.12.2025
