Гофроагрегат ЛГК-532 Б/У - Продам в Нижнем Новгороде
Детальное описание
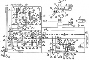
Гофроагрегат ЛГК-532
Предназначена для производства 2-3х слойного гофрокартона с гофром типа «B», «С», по ГОСТ 7376-89: поперечного и продольного раскроя, продольного рилевания и укладки заготовок. Линия рассчитана на эксплуатацию в закрытом отапливаемом помещении с t не ниже 15 гр., нормальным атмосферным давлением, относительной влажностью воздуха до 80%.
Время кондиционирования сырья в помещении не менее 12 часов.
Состав линии:
Станок двухслойного гофрированного картона
Устройство размоточное
Накопитель промежуточный
Станок трехслойного гофрокартона
Станок сушильно-охлаждающий
Станок обрезной-рилевочный
Укладчик
Станок отрезной
Электрооборудование в комплекте
Технические характеристики
Производительность — 1200 кв.м/час
Скорость подачи — 10-20 м/мин.
Температурный режим — 120-180 гр.
Раскрой заготовок — по ширине от 60 до 1050 мм, по длине от 300 до 3000 мм.
Диапазон продольного рилевания от 90 до1050 мм.
Установленная мощность 80-100 кВт
Габаритные размеры (ДхШхВ) 23000х2100х2100 мм
Создано 13.04.2023 Изменено 07.02.2024




