Комплект фрез для профилирования стояков и перемычек дверных полотен под стекло (33.01.00)
Реклама Рекомендуем предложения
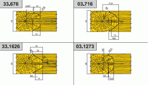
Детальное описание


| Назначение фрезы | Обозначение фрезы |
D мм |
d мм |
B мм |
Ножи | |||
| Z | V | |||||||
| Обознач. | Кол. | Обознач. | Кол. | |||||
| Четверть под шип | 33.01.18 | 196 | 30-50 | 30 | TS30 | 3 | TS14.20 | 3+3 |
| Контрпрофиль нижний | 33.01.02 | 222 | 30-50 | 20 | 03.01.02.01 | 3 | TS14.12 | 3 |
| Контрпрофиль нижний аксиальный | 33.01.62 | 222 | 30-50 | 20 | 03.01.32.01 | 3 | TS14.12 | 3 |
| Четверть под стекло | 33.01.19 | 160 | 30-50 | 50 | TS50 | 3 | TS14.20 | 3 |
| Профиль калевки нижний | 33.01.07 | 160 | 30-50 | 20 | 03.01.07.01 | 3 | - | - |
| Паз под филенку | 33.01.10 | 164 | 30-50 | 8-14 | TS7.5 | 3+3 | TS14.20 | 3+3 |
| Проф. штапика под отрезку | 33.01.12 | 153 | 30-50 | 20 | 03.01.09.01 | 3 | - | - |
| Проф. штапика под отрезку | 33.01.13 | 153 | 30-50 | 20 | 03.01.13.01 | 3 | - | - |
Примечание:
* - группа 33.01.94.1 - содержит фрезу 33.01.62 с аксиальными профильными ножами.
Похожие товары
Каталог
Компания
Станкофф.RU
420127, Россия, Татарстан, Казань, ул. Фатыха Амирхана, 42а
+7 (800) 5555770
Социальные группы



