3-х осевой продольно-фрезерный обрабатывающий центр с ЧПУ и подвижной колонной PYЕ CNC2500B
Детальное описание
Продольно-фрезерный обрабатывающий центр с ЧПУ PYЕ CNC2500B — это высокотехнологичное 3-осевое оборудование
с подвижной колонной и увеличенным ходом по осям, предназначенное для выполнения широкого спектра задач:
фрезерование, сверление, нарезание резьбы.
Широко применяется в области машиностроения, автомобилестроения, железнодорожной отрасли.
Преимущества:
- Расширенная рабочую зона — для обработки заготовок различных габаритов;
- Повышенная жёсткость конструкции — для устойчивости при тяжёлой обработке;
- Высокая производительность и точность — что делает его универсальным решением для современного металлообрабатывающего производства.
Комплектующие
| Система управления (0i MF PLUS) | FANUC (Япония) |
| Шпиндель (BT50 Ø150, ременной тип) | Китай |
| Подшипник (класс точности P4) | NACHI / NSK (Япония) |
| ШВП (класс точности C3) | HIWIN / PMI (Тайвань / Япония) |
| Направляющие (P-класса точности) | HIWIN / PMI (Тайвань / Япония) |
| Инструментальный магазин | POJU / OKADA (Китай / Тайвань) |
| Пневмокомпоненты | Air Tac (Тайвань) |
| Пуск привода | Mitsubishi (Япония) |
| Бустер шпинделя | POJU / HAOCHENG (Китай / Тайвань) |
| Электрокомпоненты | Schneider / ELCO (Франция / Китай) |
Конструктивные особенности
Шпиндель
Шпиндельный узел соответствует современным требованиям к обработке металлов: он надёжен, гибок и универсален. Конус BT50 обеспечивает высокую стабильность, точность и жёсткость даже на больших скоростях, что делает узел эффективным для широкого спектра задач.
Станина
Выполнена из высококачественного чугуна, отличается хорошей виброизоляцией и прочностью. Чугунные отливки проходят термообработку для снятия остаточных напряжений и оснащаются усиливающими пластинами.Для устойчивости конструкции предусмотрены три ряда опорных ног, равномерно распределяющих нагрузку.
Подвижная колонна
Усиленная конструкция подвижной колонны вместе с увеличенной поверхностью контакта рельса и ползуна снижает деформацию оси X и обеспечивает высокую жесткость и точность обработки станка.
Устройство автоматической смены инструмента (ATC)
Магазин инструментов дискового типа с 24 позициями для инструментов, время смены инструмента составляет всего 2 секунды.
Автоматическая система смазки
Централизованная система смазки компонентов станка.
Стружечный конвейер
Стружкоуборочный конвейер цепного типа с тележкой для стружки и баком СОЖСистема ЧПУ 0i-MODEL F
Система 0i-MODEL F — это производительное и надёжное ЧПУ, подходящее для широкого круга задач. Благодаря расширенному функционалу и высокой гибкости, оно легко адаптируется под специфические требования производства. При этом система отличается отличным соотношением цена-качество и включает функции, характерные для флагманских моделей.
- Управление до 11 осей подачи, 4 шпиндельными осями и 2 технологическими каналами
- Возможность подключения 2 дополнительных каналов для загрузчиков
- 4-осевая или 3+2-осевая синхронная обработка
- Полный набор стандартного ПО для быстрого запуска
- Интегрированная система безопасности FANUC Dual Check Safety
- Поддержка диалогового программирования: MANUAL GUIDE i / TURN MATE i
- Высокоскоростной PMC с гибкой настройкой
- Предпросмотр управляющей программы до 400 кадров
- Интеллектуальная оптимизация траектории в зависимости от приоритета
Рабочая зона
Стандартная комплектация
- Система управления ЧПУ FANUC 0i MF PLUS
- Дисплей системы ЧПУ с диагональю 10,4" на панели оператора
- Русифицированный интерфейс системы ЧПУ
- USB, RS-232 и Ethernet (LAN) порты
- Переносной ручной пульт оператора с маховичком (MPG)
- Надежный серводвигатель шпинделя, жесткое нарезание резьбы
- Основание, колонна и подвижные части станка из чугуна марки Meehanite HT300
- Серводвигатели осей X/Y/Z производства FANUC (Япония)
- Система охлаждения шпинделя с охладителем масла (чиллер)
- Автоматическая централизованная система смазки компонентов станка
- Обдув конуса шпинделя воздухом во время цикла смены инструмента
- Передвижной блок управления
- Трансформатор 35 кВА
- Инструментальный магазин дискового типа BT50-24T
- Конвейер цепного типа с тележкой для стружки
- Трехцветная сигнальная лампа
- Пистолет воздуха / водяной пистолет
- Кондиционер электрического шкафа
- Руководство по эксплуатации на русском языке
Дополнительные опции
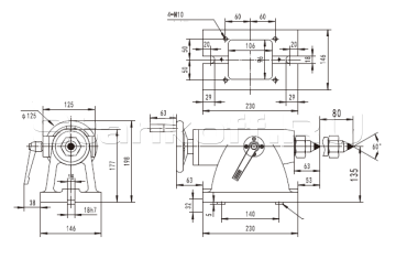
Поворотный стол (4ая ось) ф400 мм DNC-400
• Диаметр рабочего стола – 400мм• Диаметр центрального отверстия – 140H7мм
• Высота от основания до центра – 255мм
• Ширина Т-образного паза – 14Н7мм
• Дискретность поворота стола – 0,001°
• Точность позиционирования – 15 угл.сек
• Точность повторного позиционирования – 4 угл.сек
• Макс. скорость вращения стола – 25об/мин
• Допустимая предельная нагрузка:
- Вертикальная – 220кг
- Горизонтальная – 520кг
- С задней бабкой – 520кг
- Вес стола (без двигателя) – 263 кг
Задняя бабка
Датчик OMP40 OPT/OPT (LEG)
Компактный контактный триггерный 3D датчик с оптической передачей сигналов, который используется для установки заготовки и контроля ее обработки на различных средних и больших обрабатывающих центрах.Он предоставляет пользователям возможность практически на 90 % сократить время подготовки к работе, а также снизить процент брака и затраты на крепежные приспособления.
Контактный датчик TS27R
Для наладки инструмента, производства компании Renishaw. Компактная контактная 3D-система наладки инструмента с передачей сигналов по кабелю, используемая для обнаружения поломки инструмента и быстрого измерения длины и диаметра разнообразных инструментов.| Перемещения | |
| Перемещения X ось, мм | 2500 |
| Перемещения Y ось, мм | 650 |
| Перемещения Z ось, мм | 700 |
| Рабочий стол | |
| Размеры рабочего стола (ДxШ), мм | 2510x650 |
| Грузоподъемность, кг/м² | 1000 |
| Количество Т-пазов, мм | 6 |
| Ширина Т-пазов, мм | 18 |
| Расстояние между Т-пазами, мм | 100 |
| Шпиндель | |
| Макс. скорость шпинделя, об/мин | 8000 |
| Тип привода шпинделя | Ременной |
| Конус шпинделя | BT50 |
| Балансировка | G1(ISO1940) |
| Тип установки шпинделя | Вертикальный |
| Подачи | |
| Скорость движения по осям X/Y/Z, м/мин | 60/36/36 |
| Максимальная быстрая подача по осям X/Y/Z, м/мин | 60/36/36 |
| Рабочая подача по осям X/Y/Z, мм/мин | 1~15000 |
| Точность позиционирования по осям X/Y/Z, мм | 0,03/0,015/0,015 |
| Повторная точность по осям X/Y/Z, мм | ±0,01/500 / ±0,01/300 / ±0,01/300 |
| Привод | |
| Мощность сервоприводов по осям X/Y/Z, кВт | 6/3/3 |
| Крутящий момент по осям X/Y/Z, Нм | 130/45/90 |
| Скорость вращения X/Y/Z, об/мин | 3000/3000/2000 |
| Мощность сервопривода шпинделя (S1/S6), кВт | 15/18,5 |
| Крутящий момент шпинделя (S1/S6), Нм | 143/236 |
| Скорость вращения шпинделя, об/мин | 8000 |
| Инструментальный магазин | |
| Тип | Дисковый |
| Конус | BT50 |
| Вместимость, шт | 24 |
| Макс. диаметр/длина/вес (при занятых соседних гнездах), мм/кг | Φ125/300/8 |
| Макс. диаметр (при свободных соседних гнездах), мм | Φ220 |
| Время смены инструмента, сек | 2 |
| Требования к питанию | |
| Трансформатор, кВА | 35 |
| Давление воздуха, МПа | 0,6-0,9 |
| Система смазки | |
| Смазка ШВП | Автоматическая |
| Смазка направляющих | Автоматическая |
| Охлаждение | |
| Тип системы охлаждения | Водоструйная система внешнего охлаждения |
| Мощность привода, кВт | 0,75 |
| Детали защиты | |
| Защита рабочей зоны | Закрытая кабинетная защита |
| Защита направляющих | Телескопическая защита |
| Электропитание | |
| Напряжение, В | 380 |
| Частота, Гц | 50 |
| Температура, °C | 5–40 |
| Влажность, % | 30–75 |
| Вибрация | <0,5G |
| Габаритные размеры | |
| Общая длина + конвейер, мм | 6900 |
| Высота, мм | 3100 |
| Ширина, мм | 3100 |
| Вес, кг | 15 000 |
Похожие товары
Станкофф.RU
420127, Россия, Татарстан, Казань, ул. Фатыха Амирхана, 42а
+7 (800) 5555770



